网站地图

FD50Z

Z系列内燃平衡重式叉车

FD50Z
柴动
  • 额定载荷:5000 Q(kg)
FD50Z
中联重科构筑未来之路
FD50Z
  • 更可靠
    自制门架车架,机械臂高精度焊接,更结实耐用;
    散热系统经过优化设计,将中冷,水冷,油散热独立布置,大 幅度提高发动机、变速箱核心部件的可靠性;
    发动机进气标配两级过滤(旋风式预滤器和干式空滤器);
    液压系统加装防爆阀,确保操作安全,工作可靠;
    起升系统带有下缓冲油缸,有效的降低了门架的冲击和振动;
    高压胶管采用24°锥密封,杜绝渗漏;
    空档启动保护功能,有效防止误操作。
  • 更舒适
    宽敞的上下踏板和驾驶空间,减少腿部操纵 疲劳;
    操纵阀杆符合人机工程。
  • 更高效
    整车流线型设计,外观优美,且具有工况稳定、作业效 率高,功率大、爬坡性能好等优点,可在恶劣工况下的场合 进行作业;
    油耗低,低速扭矩大,动力输出平稳;
    液力换向变速箱+315M大能容变 矩器,性能更加稳定、 可靠。
  • 更环保
    内置隔热吸音材料和橡胶密封件,大大降低 振动和噪音;
    发动机符合欧五排放要求。
特性
性能
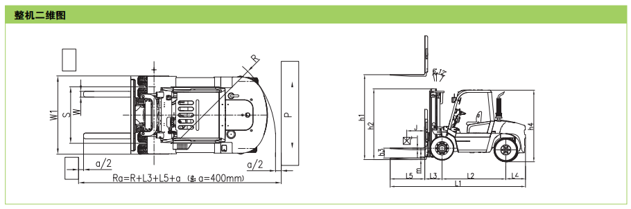
尺寸
底盘
驱动
曲线图
动力型式 内燃
额定载荷 5000 Q(kg)
载荷中心距 600 J(mm)
最大起升高度 3000 h1(mm)
自由起升高度 203 h3(mm)
货叉尺寸 长 x 宽 x 厚 1220×150×55 LsxWxT(mm)
门架倾角 前 / 后 6/12 º
最小转弯半径 3415 R(mm)
最小堆垛通道宽度 5550 Ra(mm)
最小离地间隙(门架) 200 m(mm)
护顶架高度 2460 h4(mm)
前悬距 610 L3(mm)
最大行驶速度(满载) 26 km/h
最大起升速度(满载 / 空载) 480/530 mm/s
满载爬坡能力 20%
全长 (有货叉) 4650 L1(mm)
全宽 2000 W1/b2
门架高度 2500 mm
作业时最大高度 4417 h(mm)
轮胎 ( 前轮 ) 8.25-15-14PR
轮胎 ( 后轮 ) 8.25-15-14PR
轴距 2250 L2(mm)
轮距 ( 前轮 / 后轮 ) 1470/1700 S/P(mm)
自重 ( 无载荷 ) 7980 kg
蓄电池 ( 电压 / 容量 ) (12/90)x2 V/Ah
发动机型号 Cummins QSF3.8
额定功率 90 kW
额定转速 2200 rpm
下载产品手册
FD50Z
预约体验
期待与您见面!

相关链接